Skip to primary content
simplepleasuretubeamps
Thermionic Tubes and Sound Revelations
Search
Main menu
Home
Custom 300B SET amps
Custom 45 DHT Amplifiers
Custom DHT Headphone Amplifiers
Feedback and Links
Custom order
Gallery of Projects
Stuff for Sale
About
4P1L Line stage
Image navigation
← Previous
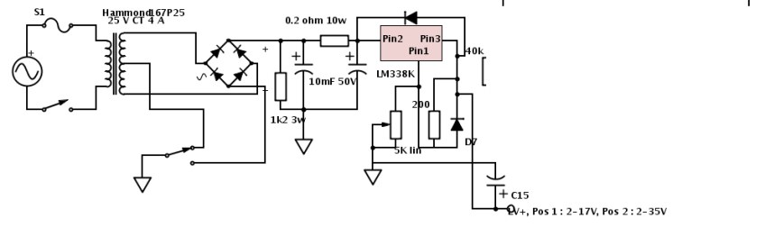
HT-Regulator copy
Published
February 26, 2014
at
996 × 297
in
Low Voltage Regulator
Leave a comment
Cancel reply
Δ
Comment
Subscribe
Subscribed
simplepleasuretubeamps
Join 33 other subscribers
Sign me up
Already have a WordPress.com account?
Log in now.
simplepleasuretubeamps
Subscribe
Subscribed
Sign up
Log in
Copy shortlink
Report this content
View post in Reader
Manage subscriptions
Collapse this bar